Ningbo Richge Technology Co., Ltd.
Ningbo Richge Technology Co., Ltd.
Өнімдер
Өнімдер
VBI-24 Бекітілген типті оқшаулау цилиндрі MV вакуумдық ажыратқыш
  • VBI-24 Бекітілген типті оқшаулау цилиндрі MV вакуумдық ажыратқышVBI-24 Бекітілген типті оқшаулау цилиндрі MV вакуумдық ажыратқыш
  • VBI-24 Бекітілген типті оқшаулау цилиндрі MV вакуумдық ажыратқышVBI-24 Бекітілген типті оқшаулау цилиндрі MV вакуумдық ажыратқыш

VBI-24 Бекітілген типті оқшаулау цилиндрі MV вакуумдық ажыратқыш

Model:VBI-24
VBI сериялары Ішкі вакуумдық ажыратқыш - ақылды вакуумдық ажыратқыштардың жаңа буыны. Оның тірі компоненттері, соның ішінде жоғары өнімді вакуумды және жоғарғы және төменгі шығыс терминалдар, Epoxy Resin Post терминалдарында капсулаланған. Бұл дизайн вакуумды бұзылудың бетіне ластанудың алдын алуға көмектеседі, оның оқшаулағыш қасиеттерін, механикалық тұрақтылықты арттыру және оның операциялық өмірін ұзартуға көмектеседі. VBI-24 бүйірлік станоктардың жұмыс механизмі Вакуумдық селексері екі жолмен, қолмен немесе электрмен жұмыс істей алады.<10kv Indoor High Voltage Vacuum Circuit Breaker General Technical Specifications>, IEC56 стандартының тиісті ережелері. VBI-24 ішкі кернеулі вакуумдық ажыратқыш - бұл үш фазалы AC 50HZ, 24 кВ жабық және тау-кен кәсіпорындары, электр станциялары және қосалқы станциялар, электр жабдықтарын және қорғаныс мақсаттары, электр жабдықтарын бақылау және қорғау мақсаттары үшін.

VBI-24 Бекітілген типті оқшаулау цилиндрі MV вакуумдық ажыратқыш

   VBI-24 ішкі кернеу сериясы Ендірілген тіректері бар жоғары кернеу сөндіргіш - бұл индустрия және тау-кен кәсіпорны, электр станциялары мен қосалқы станциядағы электр жабдықтарын қорғау және бақылау үшін пайдаланылатын кемелді кернеудің үш фразасы.

   Көктемгі механизммен вакуумдық ажыратқыштың негізгі өткізгіш тізбегі - бұл оқшаулау, механикалық және сынудың дұрыстығын едәуір жақсартады және мультимедиялық және ұзақ механикалық және электрлі өмір сүруге мүмкіндік береді. Бұл вакуумдық ажыратқыш ұлттық стандарттарға және IEC стандартының штампын ұстанады. Мүмкіндік M-E2-C2 бағасына жетеді.

   Өнім kyn28-24 (GZS1) сияқты көптеген таратқыштар үшін қолданылады және оларды орнатуға болады.

  VBI-24 ішкі кернеулі вакуумдық ажыратқыш - бұл үш фазалы AC 50HZ, 24 кВ жабық және тау-кен кәсіпорындары, электр станциялары және қосалқы станциялар, электр жабдықтарын және қорғаныс мақсаттары, электр жабдықтарын бақылау және қорғау мақсаттары үшін.







Негізгі ақпарат.


Техникалық параметрлер




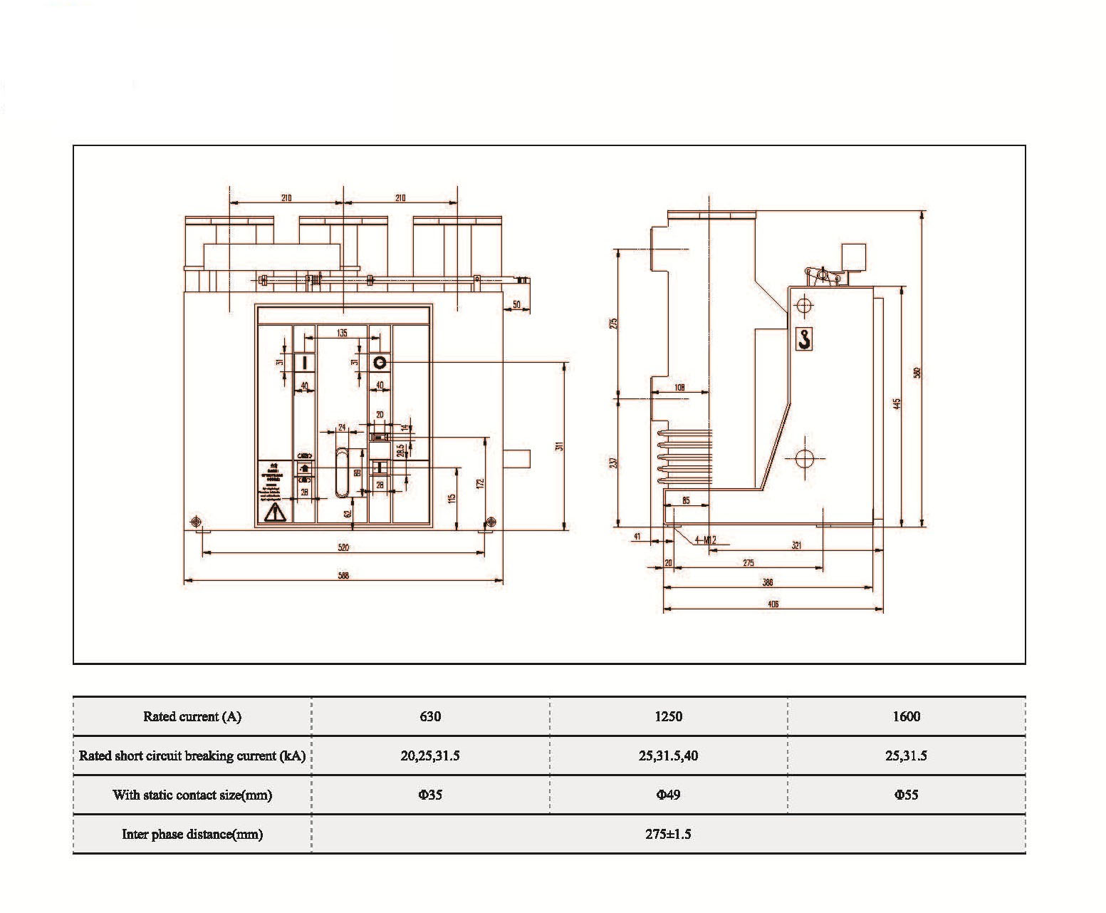
Техникалық сызбалар

Жиі қойылатын сұрақтар

С: Мен сіздің өнімдеріңіздің бағасын ала аламын ба?

Ж: Қош келдіңіз. Өтінемін, бізге сұрақ-жауап жіберіңіз. Біз сізге 24 сағат ішінде жауап береміз.


С: Жаппай тапсырыс алдында үлгіні ала аламын ба?

Ж: Ия, біз сапаны тексеру және тексеру үшін үлгіні қолдаймыз.


С: Біздің логотип / компанияның атын өнімдерге басып шығарамыз ба?

Ж: Ия, әрине, біз OEM қабылдаймыз, содан кейін бізге бренд авторизациясын қамтамасыз ету керек


С: Сіз өнімді теңшеуді қабылдайсыз ба?

Ж: Ия, әрине, нақты сызбалармен немесе параметрлермен қамтамасыз етіңіз, біз сіздерді бағалаудан кейін айтамыз


С: Қорғасын уақыты қандай?

Ж: Қорғасын уақыты тапсырыс берілген мөлшерге байланысты, әдетте, төлемді алғаннан кейін 7-20 күн ішінде байланысты.


С: Сіздің сауда терминдеріңіз қандай?

Ж: Біз EXW, FOB, CIF, FCA және т.б. қабылдаймыз.


С: Сіздің төлем әдісіңіз қандай?  

Ж: Біз T / T, Western Union, PayPal, қайтарымсыз л / с қабылдаймыз және т.с.с.


С: Сіз дайын өнімді тексересіз бе?

Ж: Иә, өндіріс пен дайын өнімнің әр сатысы жеткізілім алдында QC департаменті тексеріледі. Жөнелтілім алдында біз сіздің анықтамалық есептеріңізді қамтамасыз етеміз


С: Сатудан кейінгі сапа мәселелерін қалай шешуге болады?

Ж: Сапа мәселелерін суретке түсіріңіз және бізге тексеру және растау үшін бізге жіберіңіз, біз сізге 3 күн ішінде қанағаттанарлық шешім қабылдаймыз.




Фабрика


Сертификат




Hot Tags: VBI-24 Бекітілген цилиндрді оқшаулау цилиндрі MV вакуумдық ажыратқыш, Қытай, өндіруші, жеткізуші, зауыт, төмен баға, сапа, соңғы сату, алдыңғы қатарлы
Сұрау жіберу
Байланыс ақпараты
  • Мекенжай

    №1083 Жонгшан Шығыс жолы, Юньцоу ауданы, Нингбо қаласы, Жезжiң провинциясы, Қытай

  • Электрондық пошта

    sales@switchgearcn.net

Төмен вольтты тарату құрылғылары, жоғары вольтты оқшаулағыштар, жоғары вольтты жерге қосқыштар немесе бағалар тізімі туралы сұраулар үшін бізге электрондық поштаңызды қалдырыңыз, біз 24 сағат ішінде байланысамыз.
X
Біз cookie файлдарын сізге жақсырақ шолу тәжірибесін ұсыну, сайт трафигін талдау және мазмұнды жекелендіру үшін пайдаланамыз. Осы сайтты пайдалану арқылы сіз cookie файлдарын пайдалануымызға келісесіз. Құпиялылық саясаты
Қабылдамау Қабылдау